| Sign In | Join Free | My benadorassociates.com |
|
Brand Name : GE
Model Number : IC693MDL645
Place of Origin : USA
MOQ : 1
Price : negotiable
Payment Terms : T/T
Supply Ability : 100
Delivery Time : 5-8 work days
Packaging Details : New in original box
Brand : GE Fanuc
Model : IC693MDL645
Series : Series 90-30
Rated Voltage : 24 Volts DC
Input Voltage Range : 0 to +30 Volts DC
Inputs per Module : 16 (one group with a single common)
Isolation : 1500 Volts between field side and logic side
Input Current : 7 mA (typical) at rated voltage
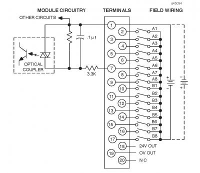
The IC693MDL646 module is a 24-volt DC positive / negative logic input module for the 90-30 series of Programmable Logic Controllers. It comes with 16 input points in one group sharing a common power input terminal. The IC693MDL646 is designed to have either positive Logic or negative logic characteristics. Input characteristics make it compatible with a wide array of user supplied input devices such as limit switches, push buttons as well as proximity switches. Power to run the field devices is normally supplied by the user or an isolated +24VDC supply on the power supply.
At the top of the module, one can locate LED indicators which display the ON/OFF status of each point. The LED block is partitioned into 2 horizontal rows with 8 green LEDs in each row. The top row is labelled from A1 to A8 (Point 1 to 8) and the bottom from B1 to B8 (point 9 to 16). There’s an insert that goes between the inside and outside surface of the hinged door. Towards the inside, one will find the wiring diagram, and the circuit identification is located on the outside surface. The outside left edge of the insert is color-coded blue to show a low-voltage module. This module can be installed in any I/O slot in a Series 90-30 PLC system. Other specifications include an input voltage range of 0 to 30 VDC and input current of 7 mA. The on-state voltage is between 11.5 to 30 V and on-state voltage 0- +5V DC. On-state current rating is 3.2mA minimum and off-state 1.1mA maximum.
The IC693MDL646 module is a GE Fanuc 24 Volts DC module classified under Series 90-30 of the GE programmable logic controllers. The 16-point DC module features a simplified construction for easy troubleshooting and setup. The IC693MDL646 module supports a portable PDA with the CIMPLICITY machine edition logic software that allows the users to interface with the PLC controller. This Logic Developer PDA ensures ease of monitoring or data changing, and the ability to view the diagnostics. The unit comes with the Force On/Off function and it can be configured through a simple-to-use machine setup process that saves time and increases productivity. The IC693MDL646 module is built to ensure high performance for various point-to-point applications through the integrated motion control unit.
The GE Fanuc Series 90-30 IC693MDL646 24 Volts DC module's processing power is easy to adjust and this makes it easy to adjust. The GE IC693MDL646 module can create a powerful system without the need to change the application software. By using Ethernet Communication, the IC693MDL646 module provides a real-time link between various industrial systems and different parts of the factory floor. This guarantees that the users will experience real-time monitoring and ease of control. The IC693MDL646 module uses the Ethernet-enabled CPU and it supports the use of an Ethernet module mounted to the rack. The IC693MDL646 module is built to ensure that it stands out among various small control devices and it offers redundancy options. Therefore, the IC693MDL646 module is a cost-effective industrial solution that is built to ensure efficiency.
| Rated Voltage: | 24 volts DC |
| # of Inputs: | 16 |
| Freq: | n/a |
| Input Current: | 7.0 mA |
| Input Voltage Range: | 0 to -30 volts DC |
| DC Power: | Yes |
Rated Voltage 24 volts DC
Input Voltage Range 0 to +30 volts DC
Inputs per Module 16 (one group with a single common)
Isolation 1500 volts between field side and logic side
Input Current 7 mA (typical) at rated voltage
Input Characteristics
On-state Voltage 11.5 to 30 volts DC
Off-state Voltage 0 to +5 volts DC
On-state Current 3.2 mA minimum
Off-state Current 1.1 mA maximum
On response Time 1 ms typical
Off response Time 1 ms typical
Power Consumption: 5V 80 mA (all inputs on) from 5 volt bus on backplane
Power Consumption: 24V 125 mA from the Isolated 24 volt backplane bus or
from user supplied power



|
|
GE FANUC IC693MDL646 , 24-Volt DC Positive / Negative Logic Input Module Images |